Domovní ČOV BioAir 3 Kingspan pro 1-9 EO
Kód: BA3-INT BA3-OUT BA3-OUT-IPS Zvolte variantuSouvisející produkty
Detailní popis produktu
Domovní čistírna odpadních vod Kingspan BioAir 3 All in One pro až 9 EO
Systém čištění odpadních vod Kingspan Klargester BioAir je spolehlivým a účinným řešením s jednoduchým designem. Je určeno pro domácnosti bez přístupu ke kanalizaci.
Čistírna splňuje normu: EN: 12566-3: 2005+A2:2013 - certifikát CE
DOPORUČUJEME: Detailní informace o tomto produktu a odpovědi na všechny vaše dotazy naleznete v sekci související soubory ke stažení, především poté v montážním návodu tohoto produktu!
Čistírna byla navržena tak, aby surová odpadní voda byla nakonec čištěna ve velmi vysoké kvalitě a dosáhla snížení BSK5 až o 97,5 %.
Čistírna odpadních vod Kingspan BioAir má vestavěné dmychalo přímo pod poklopem v instalační šachtě, čímž dojde k úspoře financí (není třeba zakupovat samostatnou nadzemní skříň a kabeláž k ní). Využívá provzdušňovací technologii pro zajištění vysoké úrovně kvality vypouštění vody. Nabízí flexibilní možnosti instalace, aby vyhovovaly různým místům v domácnosti. Kingspan BioAir je cenově výhodná volba pro řešení vašeho domácího čištění odpadních vod, pokud chcete čistírnu, kterou zapojíte a funguje.
Výhody:
- Řešení All-in-One (vše ukryté v jedné nádrži, stačí přivést odpadní vodu a elektřinu 230V) - varianta INT
- Bez hluku, bez zápachu
- Žádné ventily či časovače = funguje a nemá se co pokazit
- Na čistírně může být i 1,5 metru násyp
- Vhodné pro domácnosti s 1 - 9 osobami
- Předsazená akumulační nádrž, která rozředí chemické znečištění (prací prostředky)
- Pevná nádrž z litého plastu bez svárů, technologie rotomoulding
- Veškeré hlučné komponenty jsou skryty v těle čistírny - varianta INT
Varianty produktu:
- BioAir 3 pro až 9 EO INT - interní dmychadlo v komínku nádrže, gravitační odtok přečištěné vody (doporučujeme)
- BioAir 3 pro až 9 EO OUT - externí umístění dmychadla ve skříňce mimo nádrž - součástí dodávky je v tom případě také skříňka a veškeré příslušenství na propojení ČOV a externího dmychadla, gravitační odtok přečištěné vody
- BioAir 3 pro až 9 EO OUT+IPS - externí umístění dmychadla ve skříňce mimo nádrž - součástí dodávky je v tom případě také skříňka a veškeré příslušenství na propojení ČOV a externího dmychadla, přečervávací čerpadlo pro odtok přečištěné vody do vzdálenějšího anebo výše položeného místa
Popis modelů v řadě BioAir:
Systém čistírny spočívá v jednoduchosti a kompaktnosti. Veškerá technologie potřebná k chodu čistírny - dmychadlo, potrubí, ventily je umístěna v nádrži a jejím nástavci, pod poklopem. K čistírně není potřeba dokupovat žádné další komponenty. Čistírna je přednastavena již z továrny, zprovoznit ji zvládne každý dne manuálu na konci této stránky. Samotné tělo čistírny je vyráběno za pomocí litého plastu (rotomoulding) což ocení zejména lokality se zásobováním ze studní, nádrž nemá žádné sváry kudy by mohli protékat splašky, čímž nedochází ke kontaminaci okolních studní. V případě potřeby je možné výtok přečištěné vody řešit ponorným čerpadlem, zejména v lokalitách, kde nejsou vhodné spádové podmínky.
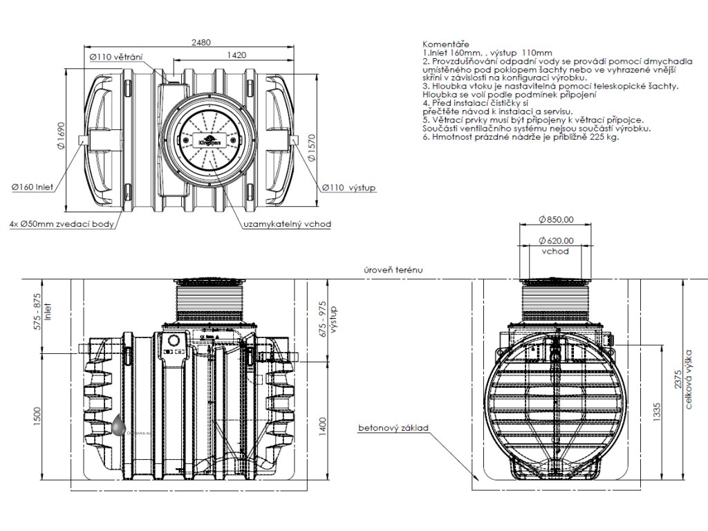
| Model / Varianta | Materiál | Počet obyvatel (EO) | Max. průtok (l/den) | Celková výška (mm) | Hloubka nátoku (mm) | Hloubka odtoku (mm) | Délka (mm) | Šířka (mm) |
|---|---|---|---|---|---|---|---|---|
| BioAir 1 | MDPE (plast) | 4 | 600 | 1580–1880 | 500–1500 | 600–1600 | 2000 | 1320 |
| BioAir 2 | MDPE (plast) | 6 | 900 | 1805–2105 | 500–1500 | 600–1600 | 2460 | 1540 |
| BioAir 3 | MDPE (plast) | 9 | 1200 | 2075–2375 | 500–1500 | 600–1600 | 3770 | 1425 |
| BioAir 5 | GRP (sklolaminát) | 15 | 2250 | 2245–3745 | 645–975 | 600–1600 | 3605 | 1920 |
| BioAir 6 | GRP (sklolaminát) | 20 | 3000 | 2245–3745 | 500–2000 | 600–1600 | 4400 | 1920 |
| BioAir 7 | GRP (sklolaminát) | 25 | 3750 | 2245–3745 | 500–2000 | 600–1600 | 5550 | 1920 |
| BioAir 8 | GRP (sklolaminát) | 35 | 5250 | 2245–3745 | 500–2000 | 600–1600 | 7400 | 1920 |
Jak funguje čistírna BioAir:
KROK 1
Surové odpadní vody proudí gravitačně do primárního odkalovače. Dochází v něm k oddělení pevných frakcí, zadržení tuků a poklesu pevných látek tvořících kal. Ten zůstane v odkalovači, dokud nebude odstraněn. Odpadní voda zbavená pevných látek následně protéká do bioreaktoru s pevným biologickým filtrem.
KROK 2
Organické a chemické látky jsou čištěny biomasou pokryvající fixní filtr. Skládá se z aerobních mikroorganismů, které získávají kyslík mechanickým vháněním vzduchu přes dmychadlo a potrubní difuzory. Odpadní voda prochází skrz nepohyblivé médium a je tak vystavena působení biomasy. Poté protéká do další části nádrže, kde dochází k finálnímu dočištění. Přebytečná biomasa se v pevné formě vyluhuje do sekundárního odkalovače.
KROK 3
V sekundárním odkalovači se od čištěné kapaliny odděluje přebytečná biomasa, která padá na dno a tvoří kal. Kal ze dna se cyklicky vrací pomocí mamutkového čerpadla zpět do primárního odkalovače k dočištění, zatímco vyčištěná kapalina gravitačně odtéká do recipientu, kterým může být vodní tok nebo půda.
KROK 4 (pouze pro varianty IPS s přečerpávacím plovákovým čerpadlem)
Vyčištěná kapalina protéká gravitačně do další komory, ve které je umístěno vysoce výkonné plovákové čerpadlo. Po dosažení určité hladiny odčerpá kapalinu pod tlakem (vhodné pro výtlak do výše položených míst nebo pro systémy s dlouhým odtokem).
Rozsah dodávky:
- Nosná nádrž z litého pevnostního polyethylenu
- Plně pochozí poklop kategorie zatížení A15 se zavzdušněním
- Zavzdušňovací elementy dmychadla v efektivním umístění na poklopu nebo externí skříňka pro umístění dmychadla mimo nádrž vč. propojovacího materiálu (dle výběru umístění dmychadla)
- Řídící jednotka, elektronický ovládací panel
- Dmychadlo Secoh – the best series JDK-S včetně kabeláže a šachty (skryté pod poklopem nádrže nebo ve skříňce mimo nádrž)
- Přečerpávací čerpadlo (pouze pro variantu produktu IPS)
Doporučené příslušenství:
- Nástavec pro Kingspan 500 mm
- Břitové těsnění DN100/110, DN125, DN150/160, DN200
- Vsak a zasakování
- Potrubí a příslušenství
Soubory ke stažení:
Montážní návod - Kingspan BioAir All in One
Katalog - Kingspan BioAir All in One
Certifikace CZ - Kingspan BioAir All in One
Výkresový podklad - Kingspan BioAir 3 All in One
Výkresový podklad - Kingspan BioAir 3 IPS All in One
Poptat montáž na klíč?
Spolupráci zahájíme konzultací technického provedení,
bude následovat cenová nabídka prací a produktů, sjednání termínu a úhrada zálohy,
zahájení realizace , předání a proškolení, dokumentace stavebního objektu.
Doplňkové parametry
| Kategorie: | Čistění odpadních vod - trvale využívané |
|---|---|
| Záruka: | 2 roky |
| Délka (mm): | 3770 |
| Hloubka nátoku bez nástavce (mm): | 500, 810 |
| Hloubka odtoku bez nástavce (mm): | 600, 910 |
| Materiál: | plast |
| Max. BSK (kg/den): | 0,54 |
| Max. průtok (l/den): | 1200 |
| Počet obyvatel (EO): | 4, 6, 8, 3, 2, 1, 5, 9, 7 |
| Průměr nátoku (DN): | 100/110, 125, 150/160 |
| Průměr vstupu (mm): | 600 |
| Průměr výtoku (DN): | 100/110, 125, 150/160 |
| Šířka (mm): | 1425 |
| Vhodné pro: | rodinné domy, bytové domy, chaty a chalupy, rekreační objekty, trvale využívané objekty |
| Výška (mm): | 2375 |
ČOV Kingspan BioAir
Hodnocení produktu
Buďte první, kdo napíše příspěvek k této položce.
Diskuze
Buďte první, kdo napíše příspěvek k této položce.
